Global
EN
Applications
Support
Support
With over a thousand cooperative customers and 17 years of service experience, we can provide you with everything from model selection to technical support
Development
Development
Our unyielding mission is to continuously innovate and lead the industry's progress.
News & Events
News & Events
We will share every little bit of our life with you at all times
About
About
Yinte Electronics integrates technology research and development, chip manufacturing, packaging and testing, sales, and service
Careers
Careers
Unleash potential together, shape a healthy future for humanity
Products
Package
Dimensions
Gas Discharge Tubes

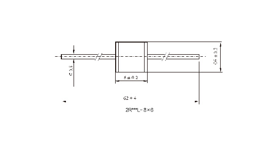
2R600L-8×6

The 2R600L-8×6 is a high-energy two-electrode gas discharge tube that safely diverts severe lightning and surge transients. With a 600V DC breakdown voltage, 10kA surge capability and low capacitance ≤1pF, it provides robust primary protection for communication lines and power supplies.

Product details

Package
DIP
DC Breakdown Voltage (100V/s V)
600.00
Toleranceof Vs
±20%
Impulse Spark-over Voltage 1KV/μs (V)
1400.00
Impulse Discharge Current 10hits 8/20μs (KA)
10.00
Capacitance 1MHz (pF)
1.00
Status
Active

Package Information

Mounting Type
plugin
Package Type
8×6 mm
Unit Weight
Packing Information
包带包装:1000 pieces/包

Related Products

Part Number
Category
Package Type
Status
Datasheet
Thyristor Surge Suppressor
SOD-123FL
Active
TVS Diodes
SOD123FL
Active
TVS Diodes
SOD123FL
Active
Gas Discharge Tubes
SMD
Active
Gas Discharge Tubes
SMD
Active
Gas Discharge Tubes
SMD
Active
Gas Discharge Tubes
SMD
Active
Gas Discharge Tubes
SMD
Active
Gas Discharge Tubes
SMD
Active
Gas Discharge Tubes
SMD
Active
Applications
Technical Resources / News
Technical Support & Contact
Mobile:+86 18721669954
Email:global@yint.com.cn